Product Summary
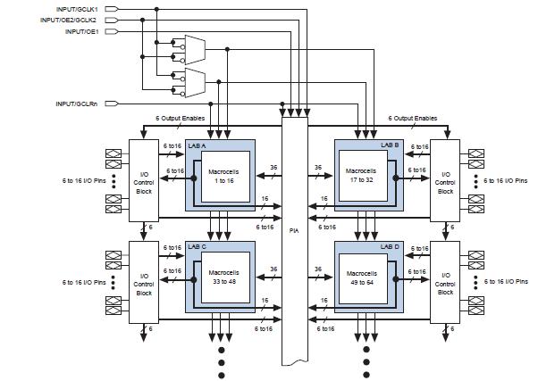
The EPM7128SLI84-10 is a high-density, high-performance PLD. It is based on Altera’ s second-generation MAX architecture. Fabricated with advanced CMOS technology, the EEPROM-based EPM7128SLI84-10 provides 600 to 5,000 usable gates, ISP, pin-to-pin delays as fast as 5 ns, and counter speeds of up to 175.4 MHz.
Parametrics
EPM7128SLI84-10 absolute maximum ratings: (1)Supply voltage With respect to ground:–2.0 to 7.0 V; (2)DC input voltage: –2.0 to 7.0 V; (3)DC output current, per pin: –25 to 25 mA; (4)Storage temperature No bias: –65 to 150℃; (5)Ambient temperature Under bias: –65 to 135℃; (6)Junction temperature:150 ℃.
Features
EPM7128SLI84-10 features: (1)High-performance, EEPROM-based programmable logic devices(PLDs) based on second-generation MAXR architecture; (2)5.0-V in-system programmability (ISP) through the built-in IEEE Std. 1149.1 Joint Test Action Group (JTAG) interface available in MAX 7000S devices; (3)Includes 5.0-V MAX 7000 devices and 5.0-V ISP-based MAX 7000S devices; (4)Built-in JTAG boundary-scan test (BST) circuitry in MAX 7000S devices with 128 or more macrocells; (5)Complete EPLD family with logic densities ranging from 600 to 5,000 usable gates (see Tables 1 and 2); (6)5-ns pin-to-pin logic delays with up to 175.4-MHz counter frequencies (including interconnect); (7)PCI-compliant devices available.
Diagrams

| Image | Part No | Mfg | Description | ![]() |
Pricing (USD) |
Quantity | ||||||
|---|---|---|---|---|---|---|---|---|---|---|---|---|
![]() |
![]() EPM7128SLI84-10 |
![]() |
![]() IC MAX 7000 CPLD 128 84-PLCC |
![]() Data Sheet |
![]()
|
|
||||||
![]() |
![]() EPM7128SLI84-10N |
![]() |
![]() IC MAX 7000 CPLD 128 84-PLCC |
![]() Data Sheet |
![]()
|
|
||||||
(China (Mainland))









