Product Summary
The XC3S1600E-5FG400C is a Field-Programmable Gate Array (FPGA). It is specifically designed to meet the needs of high volume, cost-sensitive consumer electronic applications. The XC3S1600E-4FGG320C offers densities ranging from 100,000 to 1.6 million system gates. The XC3S1600E-4FGG320C builds on the success of the earlier Spartan-3 family by increasing the amount of logic per I/O, significantly reducing the cost per logic cell. New features improve system performance and reduce the cost of configuration.
Parametrics
XC3S1600E-5FG400C absolute maximum ratings: (1)Internal supply voltage: –0.5 to 1.32 V; (2)Auxiliary supply voltage: –0.5 to 3.00 V; (3)Output driver supply voltage: –0.5 to 3.75 V; (4)Input reference voltage: –0.5 to VCCO+0.5 V; (5)Voltage applied to all User I/O pins and Dual-Purpose pins: –0.5 to VCCO+0.5 V, Voltage applied to all Dedicated pins: –0.5 to VCCAUX+0.5 V; (6)Electrostatic Discharge Voltage Human body model: –2000 to +2000 V; (7)Charged device model: –500 to +500 V; (8)Machine model: –200 to +200 V; (9)Junction temperature: 125 ℃; (10)Storage temperature: –65 to 150 ℃.
Features
XC3S1600E-5FG400C features: (1)Very low cost, high-performance logic solution for high-volume, consumer-oriented applications; (2)Proven advanced 90-nanometer process technology; (3)Multi-voltage, multi-standard SelectIO?interface pins: Up to 376 I/O pins or 156 differential signal pairs, LVCMOS, LVTTL, HSTL, and SSTL single-ended signal standards, True LVDS, RSDS, mini-LVDS differential I/O, 3.3V, 2.5V, 1.8V, 1.5V, and 1.2V signaling, Enhanced Double Data Rate (DDR) support; (4)Abundant, flexible logic resources: Densities up to 33,192 logic cells, including optional shift register or distributed RAM support, Efficient wide multiplexers, wide logic, Fast look-ahead carry logic, Enhanced 18 x 18 multipliers with optional pipeline, IEEE 1149.1/1532 JTAG programming/debug port; (5)Hierarchical SelectRAM?memory architecture: Up to 648 Kbits of fast block RAM.
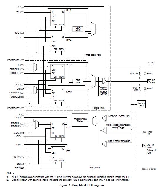
Diagrams

| Image | Part No | Mfg | Description | ![]() |
Pricing (USD) |
Quantity | ||||||||||
|---|---|---|---|---|---|---|---|---|---|---|---|---|---|---|---|---|
![]() |
![]() XC3S1600E-4FGG320C |
![]() |
![]() IC SPARTAN-3E FPGA 1600K 320-FBG |
![]() Data Sheet |
![]()
|
|
||||||||||
| Image | Part No | Mfg | Description | ![]() |
Pricing (USD) |
Quantity | ||||||||||
![]() |
![]() XC3S1000 |
![]() Other |
![]() |
![]() Data Sheet |
![]() Negotiable |
|
||||||||||
![]() |
![]() XC3S1000-4FG456I |
![]() |
![]() IC FPGA SPARTAN 3 456FBGA |
![]() Data Sheet |
![]()
|
|
||||||||||
![]() |
![]() XC3S1000-4FG676I |
![]() |
![]() IC FPGA SPARTAN 3 676FBGA |
![]() Data Sheet |
![]()
|
|
||||||||||
![]() |
![]() XC3S1000-4FGG320C |
![]() |
![]() SPARTAN-3A FPGA 1M STD 320-FBGA |
![]() Data Sheet |
![]()
|
|
||||||||||
![]() |
![]() XC3S1000-4FGG320I |
![]() |
![]() IC SPARTAN-3A FPGA 1M 320-FBGA |
![]() Data Sheet |
![]()
|
|
||||||||||
![]() |
![]() XC3S1000-4FGG456C |
![]() |
![]() IC SPARTAN-3 FPGA 1M 456-FBGA |
![]() Data Sheet |
![]()
|
|
||||||||||
(China (Mainland))










